

Automotive Cold Medium Sensors Performance Index
Pressure Range (MPa) : 0~0.98MPa/0~3.33MPa
Overload : 5MPa
Test Medium: R22 R407C
Excitation Voltage (V DC): 5±5% V DC
Output Voltage (VDC): 0.5~3.5VDC/0.5~3.9VDC
Combined Error (%FS): ±2%FS
Insulation Resistance (MΩ): 100MΩ/500VDC
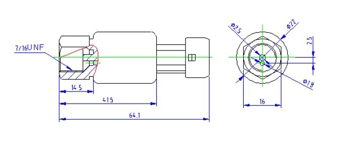
Screw Down Moment (N.m): 14.2~17.2 N.M
Operation Temperature (℃): -30~105℃
Humidity (%RH): <95%RH
MediumTemperature (℃): -40~135℃
Storage temperature(℃): -40~125℃
Load Resistancem (kΩ): >10kΩ
Dissipation (mA): <10mA
Note: Output Voltage changes along with Excitation Voltage change.

