热门主营:气压传感器  压力变送器  加速度传感器  LVDT 位移传感器  汽车传感器  称重传感器  扭矩传感器
热门搜索:
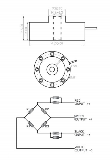
名称: Spoke style/Shearing beam/Bridge style Load Cell K
类别: Load Cell

 Detail:

Model KG-2 is constructed using alloy steel material,nickel-phosphorus  plating surface chemical treated,silicon rubber seal,Ip75.Application : Electronic scale,rail track,vehicle scale.

Outine:

 

Specifications:

 

Details  Please Download>>