名称: Spoke style/Shearing beam/Bridgestyle Load Cell KG
类别: Load Cell
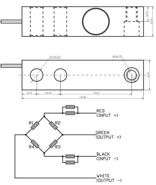
Detail:
Model KG-1 is constructed using alloy steel material,nickel-phosphorus plating surface chemical treated,silicon rubber seal,Ip75.Application:Electronic scale,rail track,vehicle scale.