热门主营:气压传感器  压力变送器  加速度传感器  LVDT 位移传感器  汽车传感器  称重传感器  扭矩传感器
热门搜索:
名称: 64型加速度计
类别: 振动、加速度传感器
产品说明
 
     64型加速度计基于一款先进的压阻式MEMS技术传感元件,可提供卓越的动态量程和稳定性。本产品的特点在于全桥输出配置与从0到50ºC的温度补偿范围。少量内部气体阻尼提供优越的冲击耐久性、平稳的幅度及高达7KHz的相位响应。64型符合拟人化虚拟仪表的SAEJ211标准。

特点
(1)压阻式MEMS技术传感元件;
(2)量程:±50~±6000g;
(3)2~10Vdc激励电压;
(4)- 40至+ 121℃温度范围;
(5)低噪音护套电缆;
(6)1%横向灵敏度选择;
(7)零点偏移<±25mv。
 
应用
(1)安全碰撞测试
            汽车
           卡车
           休旅车
(2)冲击试验
 
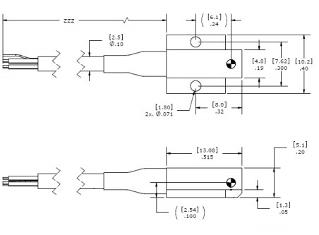
外形尺寸:
详细资料请点击下载>>