热门主营:
气压传感器
压力变送器
加速度传感器
LVDT
位移传感器
汽车传感器
称重传感器
扭矩传感器
·
中文版
·
English
热门搜索:
压力传感器
板载式气压传感器
工控压力传感器/变送器
汽车压力传感器
倾角、位移传感器
力、扭矩传感器
振动、加速度传感器
温湿度传感器
称重测力系列
称重传感器
轴重仪
婴儿秤
口袋秤
微型压式称重传感器
液位传感器(开关)
其他仪器仪表
病床称重
数字皮肤水分仪
压力开关 压力控制器
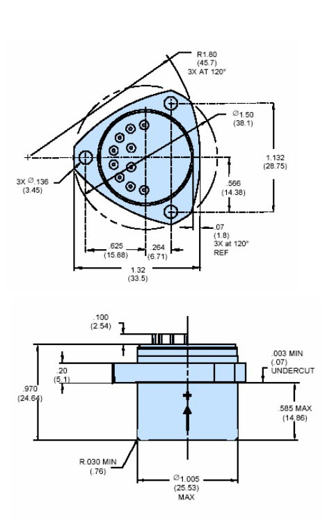
名称: 高性价比惯性加速度计KA1400
类别: 振动、加速度传感器
产品特点:
(1)极好的刺激可重复性和高稳定性;
(2)适用于苛刻环境;
(3)模拟输出;
(4)量程可定制;
(5)三个紧固件精密法兰;
(6)内置温度传感器,热补偿;
(7)双内置测试;
(8)偏温度敏感性可选。
外形尺寸:
详细资料请点击下载>>
关于我们
|
产品展示
|
联系我们
|
粤ICP备05074201号
Copyright © 1997-2020 深圳市杰英特传感仪器有限公司 All rights reserved
粤公网安备 44030602005003号