

产品概述:
SM5651/SM5652为OEM压力传感器,完全校准和温度补偿微差压双列直插高性能压力传感器。
SM5651/SM5652系列为陶瓷基底贴装高稳定压阻式压力传感器芯片,利用陶瓷基板上的薄膜电阻进行零度校正、零点温度补偿和灵敏度温度补偿。SM5651只能用恒流驱动,一个额外的电阻修剪正常化的外部差分放大器的输出提供了跨度校准。而SM5652在恒压激励下对输出信号很容易进行放大。
SM5651芯片有额外的增益电阻,采用恒流激励,SM5652采用恒压激励。
特点
微压0.15psi\0.30psi\0.80psi\1.50psi和3.0psi
恒流或恒压激励
温度补偿范围宽(0-60℃)
跨度校准正高达±2%
零点校准及温度补偿
高性能、稳定的硅芯片封装
表压和差压配置
应用
医疗设备
呼吸机、麻醉机和监护仪
HVAC(空调)
水平监测
流量测量
工业控制
微差压变送器

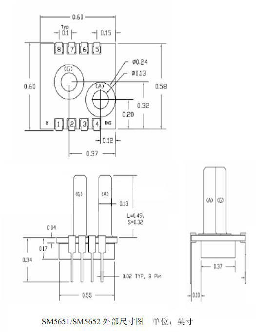
产品尺寸图:

性能参数
测试的条件是:SM5651激励电流源为1.5mA,室温为25℃,SM5652激励电压源为10.00V DC,室温25℃,除非另有规定。
| 最小值 | 典型值 | 最大值 | 单位 | |
| 激励源 | ||||
| 激励电压源DC(SM5652) | >0 | 10.00 | 20.00 | V |
| 激励电流源DC(SM5651) | >0 | 1.50 | 3.00 | mA |
| 满量程输出 | ||||
| SM5651满量程输出 | 25 | 45 | 75 | mV |
| SM5652满量程输出 | 24.5 | 25 | 25.5 | mV |
| 零点输出 |
-2 |
0.2 | 2 | mV |
| 温度系数 | ||||
| 满量程温度系数 | -0.65 | 0.2 | 0.65 | %FS |
| 零点温度系数 | -1 | 0.2 | 1 | %FS |
| 温度迟滞性 |
-0.3 |
0.05 |
0.3 |
%FS |
| 准确度 | ||||
| 线性度(非线性误差) | -0.3 | +0.05 | +0.3 | %FS |
| 重复性 | -0.3 | +0.05 | +0.3 | %FS |
| 压力迟滞性 | -0.3 | +0.05 | +0.3 | %FS |
| 灵敏度匹配性 | -2 | -0.2 | +2.0 | %FS |
| 阻抗(SM5651) | ||||
| 输入阻抗 | 1.8 | 3 | 3.8 | kΩ |
| 输出阻抗 | 2.7 | 3.3 | 3.8 | kΩ |
| 阻抗(SM5652) | ||||
| 输入阻抗 | 4.5 | 8 | 25 | kΩ |
| 输出阻抗 | 2 | 2.5 | 3.8 | kΩ |
| 温度范围 | ||||
| 补偿温度 | +0 | +60 | ℃ | |
| 工作温度 | -40 | +125 | ℃ | |
| 存储温度 | -40 | +125 | ℃ | |
| 动力特性 | ||||
| 耐压 | 10X | Rated FS | ||
| 爆破压力 | 15X | Rated FS |
更多详细资料请点击下载>>
