热门主营:气压传感器  压力变送器  加速度传感器  LVDT 位移传感器  汽车传感器  称重传感器  扭矩传感器
热门搜索:
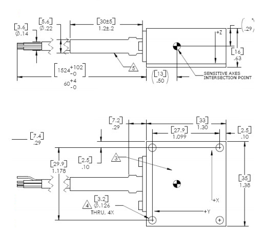
名称: 高性能4203型三轴加速度传感器
类别: 振动、加速度传感器

产品描述:

4203型三轴加速度传感器是由美国精量电子(MEAS)推出的压阻式加速度传感器。采用阳极氧化铝金属外壳封装,螺丝安装方式。扁平长方体结构,量程为±6-30可选。采用八级定制滤波及先进的温度补偿技术,使得该传感器可以在众多恶劣环境中应用。特殊的EMI/RFI防护设计,能够保证信号输出的稳定。主要应用赛车,地震,冲击测试等领域。

外形:

   详细资料,请点击下载>>