热门主营:
气压传感器
压力变送器
加速度传感器
LVDT
位移传感器
汽车传感器
称重传感器
扭矩传感器
·
中文版
·
English
热门搜索:
压力传感器
板载式气压传感器
工控压力传感器/变送器
汽车压力传感器
倾角、位移传感器
力、扭矩传感器
振动、加速度传感器
温湿度传感器
称重测力系列
称重传感器
轴重仪
婴儿秤
口袋秤
微型压式称重传感器
液位传感器(开关)
其他仪器仪表
病床称重
数字皮肤水分仪
压力开关 压力控制器
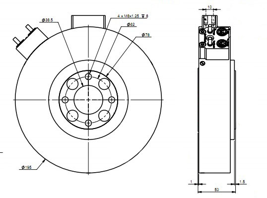
名称: 汽车方向盘扭矩/转角传感器FCA7300
类别: 力、扭矩传感器
汽车方向盘扭矩/
转角传感器
FCA7300主要功能:
基本参数:
工作模式:多感应点
封装:适合方向盘
量程Nm(Lbf-ft):10~200Nm(7Ibf-ft~150Ibf-ft)
满量程输出:±10V
非线性:<0.1%FS
迟滞:<0.1%FS
工作温度:-20°C~80°C
尺寸:直径195mm 厚度50mm
典型应用:
汽车道路测试
卡车、大巴方向盘测试
装甲车方向盘测试
外形:
详细资料请点击下载>>
关于我们
|
产品展示
|
联系我们
|
粤ICP备05074201号
Copyright © 1997-2020 深圳市杰英特传感仪器有限公司 All rights reserved
粤公网安备 44030602005003号