热门主营:
气压传感器
压力变送器
加速度传感器
LVDT
位移传感器
汽车传感器
称重传感器
扭矩传感器
·
中文版
·
English
热门搜索:
压力传感器
板载式气压传感器
工控压力传感器/变送器
汽车压力传感器
倾角、位移传感器
力、扭矩传感器
振动、加速度传感器
温湿度传感器
称重测力系列
称重传感器
轴重仪
婴儿秤
口袋秤
微型压式称重传感器
液位传感器(开关)
其他仪器仪表
病床称重
数字皮肤水分仪
压力开关 压力控制器
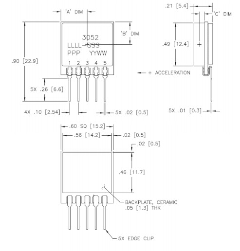
名称: 3052嵌入式加速度传感器
类别: 振动、加速度传感器
3052
嵌入式加速度传感器
产品简介
封装:针脚或焊盘
类型:板载式
量程(g):±2、5、10、20、50、100
精度(FS):±0.5%
工作温度:-40~125°C
尺寸(mm):22.7 X 15.2 X 5.3
特点:温度补偿,针脚或焊盘安装,气态阻尼
典型应用
振动/冲击测试
运动控制
姿态控制
风力能源
安全和武器碰撞测试
外形:
详细资料请点击下载 >>
关于我们
|
产品展示
|
联系我们
|
粤ICP备05074201号
Copyright © 1997-2020 深圳市杰英特传感仪器有限公司 All rights reserved
粤公网安备 44030602005003号