

产品简介:
832系列加速度传感器为低成本,板载式安装的三轴加速度传感器。产品采用稳定的压电陶瓷晶体,功耗极低,最大为22μA。产品量程从±100g到±500g,频率响应最高可达6KHz。
基本参数:
输出: mV级
量程: ±200g、±500g、±100g
封装:表面贴装
工作温度范围:-40℃~125℃
精确度:±2%
供电电源:3.3~5.5VDC
特点:低成本、焊接密封、压电陶瓷
类型:板载式
电气连接:电路板安装
典型应用:
数采设备,贵重资产监测,碰撞监测
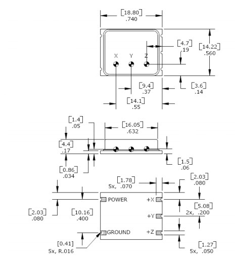
外形:

详细资料请点击下载>>
