

产品说明:
53系列加速度传感器采用先进的压阻式MEMS技术,具有优异动态量程及长期稳定性。外形结构紧凑,小巧,适用于车辆碰撞和道路测试等。其机械过载自停保护装置可提供高碰撞保护。该产品测量量程从50g到2000g,频率响应可达5KHz,很容易安装在测试车辆上。
特点:
基本参数:
输出: ±50mV零点测量输出
量程: ±50、±200、±500、±2000
封装:铝壳
工作温度范围:-20℃~+85℃
精确度:1% FSO(非线性)
供电电源:2~10Vdc
特点:小尺寸、铝合金外壳、硅压阻技术、高量程 、三轴
类型:三轴加速度传感器
电气连接:电缆连接
典型应用:
碰撞测试/冲击测试/非道路测试/道路测试/汽车安全测试
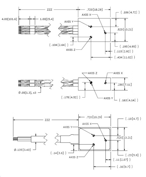
外形:

详细资料请点击下载>>
