热门主营:气压传感器  压力变送器  加速度传感器  LVDT 位移传感器  汽车传感器  称重传感器  扭矩传感器
热门搜索:
名称: 穿孔型力传感器ELWF
类别: 力、扭矩传感器

产品简介:

 

 

ELWF压力传感器:ELWF系列拉力/压力传感器开创了以前由于成本和性能限制而无法开拓的新市场。ELFF采用MEAS独有的微熔技术,引进航空应用科技,利用高温融化的玻璃将微加工硅压敏电阻应变片粘结在不锈钢弹性体上。玻璃粘结工艺避免了传统称重传感器设计使用环氧胶水老化问题,提高了传感器的长期稳定性和零点稳定性。
    工作在极低的张力下,微熔工艺可以提供大于100的应变量,以及长寿命,高分辨率,高过载能力(过压不停),0.5~4.5V的放大输出或20mV/V的比率桥输出。ELWF采用可NIST溯源的铠装绝缘特氟龙电缆,全温度补偿技术。同时还提供多种选项可供选择:外形尺寸、补偿温度、输入电压、电缆长度等都可为客户量身定制,是测试测量应用的理想选择。

基本参数:

  • 工作模式:压力
  • 封装:穿孔
  • 量程N(Lbf):25~10K(5~2K)
  • 满量程输出:100mV(0.5~4.5V可选)
  • 非线性:<5%FS
  • 工作温度:-40°C~120°C 
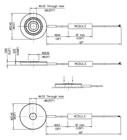
  • 尺寸:直径25mm  厚度3.8mm

典型应用:

  • 螺栓负载
  • 推力测试
  • 产品振动测试

外形:

详细资料请点击下载>>