产品简介:
FN3030力传感器测量拉压力标准量程从0-50 N到0-100,000N。FN3030非常适合于工业定制应用,可在恶劣环境下使用可升级保护水平。此外,配备高平输出集成放大器模块。
特点:
基本参数:
- 工作模式:拉力和压力
- 封装:S梁
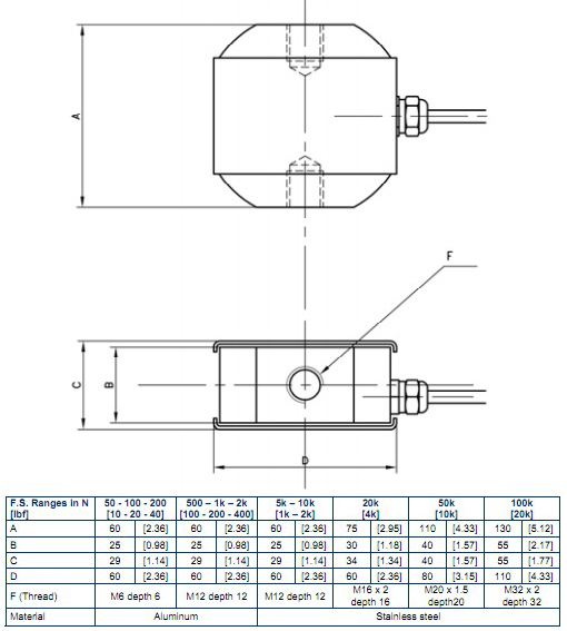
- 量程N(Lbf):50~100K(10~20K)
- 满量程输出:±20mV(4V; ±5V可选)
- 非线性:<0.1%FS
- 工作温度:-40°C~150°C
- 尺寸:参见详细资料
典型应用:
- 机器人应用
- 材料测试
- 测力工具
- 动态应变调节气缸
- 微型压装设备
- 疲劳试验台
- 小体积执行机构
- 实验室应用
外形:

产品详细资料请点击 下载>>