热门主营:气压传感器  压力变送器  加速度传感器  LVDT 位移传感器  汽车传感器  称重传感器  扭矩传感器
热门搜索:
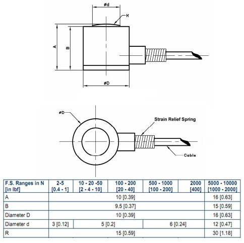
名称: 微型力传感器XFC200R
类别: 力、扭矩传感器

产品简介:

     XFC200R微型力传感器体积小、重量轻。不同于平力应用表面传感器,XFC200R采用球形的Load按钮,保证了测试测量更加精确。该产品刚度高,体积和量程可用于动态测量。柔性的弹簧出线护套使得线缆更加坚固耐用。这款力传感器元件采用完全温度补偿惠斯通电桥的高稳定性微加工硅应变片。

基本参数:

  • 工作模式:压力测试
  • 封装:小尺寸纽扣设计
  • 量程N(Lbf):2~10K(0.4~2K)
  • 满量程输出:100mV
  • 非线性:<0.5%FS
  • 工作温度:-40°C~150°C 
  • 尺寸:直径10mm 

典型应用:

  • 机器人应用
  • 材料测试
  • 测力工具
  • 动态应变调节气缸
  • 微型压装设备
  • 疲劳试验台
  • 小体积执行机构 

外形:

详细资料请点击下载>>