热门主营:气压传感器  压力变送器  加速度传感器  LVDT 位移传感器  汽车传感器  称重传感器  扭矩传感器
热门搜索:
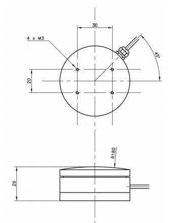
名称: 刹车踏板力传感器FN2114
类别: 力、扭矩传感器

产品简介:

      FN2114踏板力传感器采用扁平设计,结构紧凑,可以轻松的安装在任何车辆或者疲劳/耐久性试验台的踏板上。鉴于不同类型车辆的刹车、离合、油门踏板的力各不相同,FN2114提供从200N到2500N的不同量程。可定制放大(高平)输出。

基本参数:

  • 工作模式:压力测试
  • 封装:刹车踏板
  • 量程N(Lbf):200~3K(40~600)
  • 满量程输出:15~20mV(4V可选)
  • 精度:<±1%FS
  • 工作温度:-20°C~80°C 
  • 尺寸:12.5mm厚   

典型应用:

  • 刹车踏板
  • 离合器踏板
  • 测试台

外形:

详细资料请点击下载>>