热门主营:气压传感器  压力变送器  加速度传感器  LVDT 位移传感器  汽车传感器  称重传感器  扭矩传感器
热门搜索:
名称: 杰英特5800系列差压压力传感器
类别: 工控压力传感器/变送器

 产品简介:

5800 系列压力变送器/ 传感器采用全不锈钢结构,美国先进的硅技术隔离部件与数字补偿技术,全范围进行温度与线性补偿。保证了产品的可靠性。
 
产品规格:
 
量程(Kpa)                           2,5,10,20,50,100,200,500,700
综合精度%FS                                0.25
非线性%FS                                    ± 0.2  
性能滞后%FS                               ± 0.2
重复性%FS                                 ± 0.2
零点失调%FS                               ± 1
满程失调%FS                               ± 1
供电电压V(DC/AC)                           1.5mA或5V电源 (传感器)
9~36VDC(变送器)
绝缘电阻M Ω(50VDC)     ≥ 100
输入压力循环                                ≥ 108
安全过载压力                              2X
破坏压力                                      5X
工作温度℃                                 -40~100
温度补偿范围℃                        -20~85
储存温度范围℃                         -40~121
环境零点温度系数%FS/℃        ± 0.05
满程温度系数%FS/℃                ± 0.05
介质兼容性                                 无腐蚀性气体
长期稳定型%FS/6 个月           ± 0.15
 
应用:
广泛地应用于电力、暖通行业、工业窖炉等风压测量领域。
 
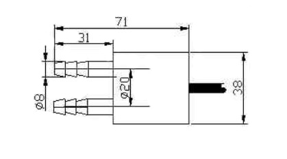
外形尺寸:
详细资料请点击下载>>