

产品说明:
Ares系列是一种小型化,低成本的压力传感器。他可以测量低至0-5" H2O, 0-10" H2O及 0-1 PSI 的压力。微小的压力加上小巧的结构使其成为供暖,通风和空调,医疗设备及流量监测等的理想产品。GA100系列产品具有0.5V-4.5V 输出信号,4V 输出量程。 GA200系列产品具有0.25V-4.00V 输出信号,3.75V 输出量程。Ares 系列产品采用塑料外壳封装而备受用户欢迎。其外壳不需要增加额外硬件便可以直接与印制电路板固定连接。外壳上带自锁功能的引线柱可以确保与印制电路板接触良好,压力接口采用3/16"倒钩接嘴,可方便的与1/8"或3/16"内径软管相连接,引压接嘴与印制电路板安装方向成90度。
产品特点:
产品应用:
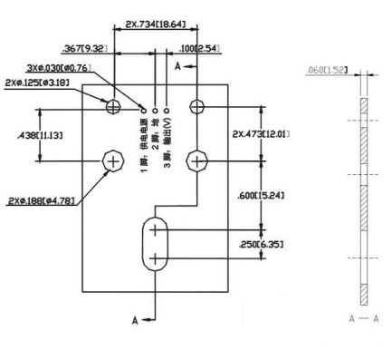
外形尺寸:

性能参数:
| 参数 | GA100系列 | GA200系列 | 单位 | 备注 | |||||
| 最小值 | 典型值 | 最大值 | 最小值 | 典型值 | 最大值 | ||||
| 零点输出 | 0.45 | ’0.500 | 0.55 | ‘0.200 | 0.25 | ’0.300 | V | 0 | |
| 满量程输出 | 3.975 | ‘4.00 | 4.025 | 3.725 | 3.75 | 3.775 | V | 1 | |
| 参数 | 最小值 | 典型值 | 最大值 | 单位 | 备注 | ||||
| 输入电压范围 | 4.75 | 5 | 5.25 | V | 2 | ||||
| 端口试验压力 | 0 | 0 | 5 | psi | 0 | ||||
| 破坏压力 | 10 | 0 | 0 | psi | 0 | ||||
| 双向静压 | 0 | 0 | 10 | psi | 0 | ||||
| 长期稳定性 | -0.5 | 0 | ‘+0.5 | %FSO/year | 0 | ||||
| 输出阻抗 | 0 | 0 | 5 | Ω | 0 | ||||
| 量程温度误差 | 0 | 0 | 1.5 | %FSO | 3 | ||||
| 零点温度误差 | 0 | 0 | 1.5 | %FSO | 3 | ||||
| 介质 | 非离子,无腐蚀性气体(清洁干燥气体) | ||||||||
| 补偿温度 | 0℃~60℃ | ||||||||
| 工作温度 | ’-25℃~80℃ | ||||||||
| 贮存温度 | ’-25℃~80℃ | ||||||||
| 同流焊接温度 | 240℃(5秒最大) | ||||||||
详细产品资料请点击 下载>>
