热门主营:气压传感器  压力变送器  加速度传感器  LVDT 位移传感器  汽车传感器  称重传感器  扭矩传感器
热门搜索:
名称: 1620型一次性血压传感器
类别: 板载式气压传感器

产品说明:
   1620型完全硅阻压式传感器用于侵袭式血压监测。该血压传感器设计成与自动化贴装设备一起使用并可直接装入客户的可置换的血压计的外壳内。传感器根据医疗仪器发展委员会对血压传感器的规范而设计。压力传感器由一个封装在陶瓷基座上的检测元件构成。在陶瓷基座上的膜厚电阻经过激光蚀刻,可用作温度补偿和标定。附着在陶瓷基座上的塑制引压嘴与客户器件连接方便,并可保护传感元件。在传感器上的绝缘胶具有静电和流体的绝缘功能。


产品特点:

  1. 低成本,一次性使用设计
  2. 硅压阻式固态传感器
  3. 端面压力接口
  4. 可实现自动化生产装配
  5. 完全电介质凝胶隔离
  6. 全额检测与补偿

产品应用:

  1. 一次性血压计
  2. 肾透析仪
  3. 医疗器械

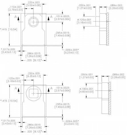
外形尺寸:

    详细产品资料请点击  下载>>