

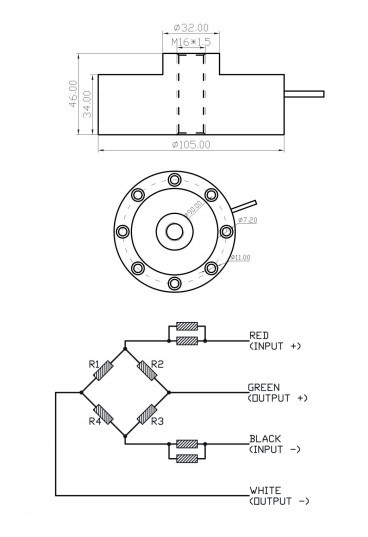
产品说明:
此款高精度称重传感器产品KG-2型采用合金刚材质,表面化学镍磷镀处理,硅胶密封,Ip67.
适用于电子台称、轨道衡及汽车衡工业配料;安装容易,使用方便。

产品参数介绍:
量程: 0.5/1/2/2.5/5T
综合误差: C3
输出灵敏度: 2.0±0.1mV/V
非线性: ±0.02%F.S
重复性: ±0.02%F.S
滞后性: ±0.02%F.S
蠕变: ±0.02%(20min)F.S
零点温度漂移: ≤±0.02%F.S/10℃
额定输出温度漂移:≤±0.02%F.S/10℃
零点输出: ±0.04mV/V
输入电阻: 405±100Ω
输出电阻: 350±10Ω
绝缘电阻: ≥2000Ω/100VDC
推荐激励电压: 5~10(DC)V
工作温度范围: 0-40℃
安全过载: 150%F.S
详细资料请点击下载>>
